Double compression Through Glads are specially designed for unarmored/Flexible cables as per BS 6121 Part 1:2005. These Glands are mainly manufactured out of brass but can be supplied i SS-304/316 and Aluminium also.
These Glands have two Rubber seals to ensure proper grip on Cable Outer Sheath. Brass Glands are nickel plated to avoid corrosion whilst storage and use. SS and Aluminium Glands are treated with ultrasonic bath.
These Glands are suitable for use under most climatic conditions and are certified by Central Institute of Mining and Fuel Research, Dhanbad for use in weather proof conditions. The Glads are rated with IP Protection upto IP-65 Levels.
These glands are available in diffrerent sizes, suitable for all types of unarmored/flexible cables upto 1000 sq.mm Suffix-BPT=for Brass Glands, SSWT=for SS Glands and ALT=for Aluminium Glands. Threadss can be ET/mm/NPT as per requirement.
Note : (1) Material : Brass as per IS-12943:1990 OR Aluminium HE-30 Grade OR SS-301/316. (2) Gland Entry Thread : BSC & MM as specifiedd (BSP or NPT also in Special case) (3) Nickle plated with plating thickness min 10 microns as per IS 12943:1990 (only in case of Brass) (4) IP protection IP-65
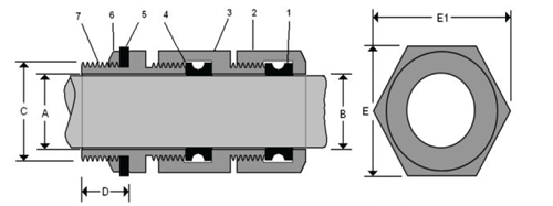
| CAT NO. | B | A |
A/F E |
A/C E1 |
NIPPLE THREAD C | D | ABOVE | UPTO |
|---|---|---|---|---|---|---|---|---|
| BPT-001SS | 11 | 11 | 22 | 25 | 3/4" | 12 | 5 | 10 |
| BPT-001S | 14 | 14 | 22 | 25 | 3/4" | 12 | 10 | 13.5 |
| BPT-001 | 15 | 15 | 24 | 27.5 | 3/4" | 12 | 11 | 14.5 |
| BPT-01L | 20 | 19 | 28 | 31 | 1" | 15 | 14 | 18 |
| BPT-02 | 20.5 | 20.5 | 30 | 35 | 1" | 15 | 18 | 20 |
| BPT-03SP | 23 | 23 | 32 | 36.5 | 28mm | 15 | 20 | 23 |
| BPT-04L | 28 | 27 | 37 | 43 | 1-1/4" | 15 | 23 | 26 |
| BPT-05L | 31 | 31 | 41 | 47 | 1-1/2" | 20 | 26 | 30 |
| BPT-06SP | 35 | 34 | 47 | 54 | 40mm | 20 | 30 | 33 |
| BPT-07SP | 39 | 37 | 52 | 59 | 42mm | 20 | 33 | 36 |
| BPT-08 | 43 | 43 | 55 | 63 | 2" | 20 | 36 | 41 |
| BPT-09 | 47 | 45 | 57 | 66 | 2" | 20 | 41 | 44 |
| BPT-10L | 54 | 54 | 67 | 77 | 2-1/2" | 20 | 44 | 52 |
| BPT-011S | 56 | 56 | 70 | 81 | 2-1/2" | 20 | 52 | 55 |
| BPT-011L | 61 | 60 | 80 | 92 | 70mm | 20 | 55 | 60 |
| BPT-012 | 68 | 67 | 84 | 97 | 3" | 20 | 60 | 66 |
| BPT-13SL | 73 | 72 | 90 | 103 | 3-1/4" | 20 | 66 | 72 |
| BPT-013 | 79 | 78 | 99 | 113 | 3-1/2" | 20 | 72 | 78 |
| BPT-014 | 85 | 84 | 105 | 118 | 3-3/4" | 20 | 78 | 83 |
| BPT-015 | 95 | 94 | 113 | 128 | 4" | 20 | 83 | 93 |
| BPT-016 | 106 | 105 | 125 | 140 | 4-1/2" | 20 | 93 | 104 |